Kazánok /  Tárolók /  Indirekt tárolók /  Álló indirekt tárolók /  Heizer BSFV-300
Heizer BSFV-300
Levehető szigeteléssel nem rendelhető
3 állítható acéllábbal rendelkezik
Szigetelés: kemény poliuretán hab
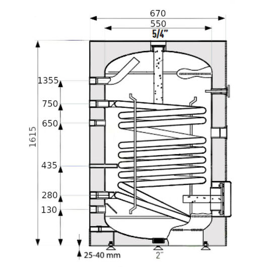
Álló indirekt tároló
Hőcserélő felület: 1,4 m2
Tisztítókarimával és hőmérővel rendelkezik
Cikkszám: HEIZER-BSF300
Az akciós ár visszavonásig érvényes!
* az árak bruttó árak! (az ÁFA-t tartalmazzák)
További hasonló termékek ebben a kategóriában:
Tároló, Indirekt, Indirekt álló, 200 - 499 liter
A fűtőkészülékre, fűtött puffertárolóra és napkollektoros rendszerre csatlakoztatható Heizer BSFV-300 álló indirekt tároló melegvíz fűtésére és tárolására alkalmas. A korrózióvédelemről a magnézium védőanód gondoskodik. A tárolóba az elektromos fűtőbetét utólagosan behelyezhető.
Jellemzői:
- Álló kivitelű indirekt tároló
- PVC borítású kemény poliuretán hab szigeteléssel
- Használati melegvíz fűtésére és tárolására alkalmas
- Korrózió elleni védelmét magnézium védőanód garantálja
- Fűtőkészülékre, fűtött puffertárolóra és napkollektoros rendszerre csatlakoztatható
- Az acélból készült tartály belső védelmét kerámiazománcbevonat biztosítja
- Elektromos fűtőbetétet nem tartalmaz, azonban az utólag is beépíthető
- Belső hőcserélője fixen behegesztett simacsöves csőkígyó
- Tisztítókarimával és hőmérővel rendelkezik
- Levehető szigeteléssel nem rendelhető
- 3 állítható acéllábbal rendelkezik
- Hosszú élettartam
- Kiváló minőség
- 3 év garancia meghatározott feltételek teljesülése esetén
- Energiahatékonysági besorolás: B
Műszaki jellemzői:
- Hőcserélő űrtartalom: 9,8 l
- Hőcserélő tartós teljesítmény (70/10/45 °C): 800 l/h
- Hőcserélő tartós teljesítmény (80/10/45 °C): 1070 l/h
- Merülőhüvely: 3/8"
- Hidegvíz csatlakozás: 1"
- Hőcserélő előremenő: 1"
- Hőcserélő visszatérő: 1"
- Használati melegvíz: 1"
- Cirkulációs csatlakozás: 3/4"
- Elektromos fűtőbetét csatlakozás: 6/4"
- Tisztító karima: 180/120 mm
- Hőtárolási veszteség: 65 W

(A termék mérete miatt a szállítási költség: 25 000 Ft)
A kép csupán illusztráció!
|
|






















.png)







.png)




